先现在锂电池在电子产物中,是到处可见,应用范畴也长短常广。
锂电池电池电压一般在3V-4.2V之间,一些电子产物应用中,时常需要5V供电,产物纷歧样,供电功率也是分歧。
下面介绍最时髦,最风行的大小输出电流的5V升压芯片。供大师参考。
工具/原料
PS3120A无电感升压5V200MA
PL2303低电压0.8V启动
PS7516/PL2628升压5V1A
PS7526升压5V2.4A
FP6277升压5V3A
方式/步骤
1
无电感升压5V200MA,外围只需3个电容。是的,3个10uf的贴片电容即可。最简单的升压电路了。抗干扰强,可用于收音机类产物。

2
0.8V低压启动,升压固定输出3.0V,3.3V,3.6V,4.0V,5V。
低起动电压: 0.8V(1mA) 输出精度:优于±2.5% 最高效率: 89% 输出电流: 大于 300mA (Vin=2.5V,Vout=3.3V) 低纹波,低噪声 只需四个外围元件


3
3V,3.3V.3.7V升压输出5V1A-0.5A,有两条目方案可供选择:
1,同步整流升压PS7516,特点:效率遍及90%及以上,外围少
2,异步升压芯片PL2628,特点:效率遍及80%摆布,需要整流肖特基二极管。


4
3V,3.3V.3.7V升压输出5V2A/2.4A,PS7526超高效率的同步整流升压方案。现实应用足2.4A。


5
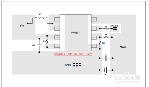
3V,3.3V.3.7V升压输出5V3A,FP6277超高效率的同步整流升压方案。现实应用足3A。










