AutoCAD是由美国Autodesk公司于二十宿世纪八十年月初为微机上应用CAD手艺而开辟的画图程序软件包,现已经当作为国际上广为风行的画图东西。AutoCAD可以绘制肆意二维和三维图形,让我带大师领会一下根本吧!

工具/原料
- Auto CAD
- 电脑
方式/步骤
- 1
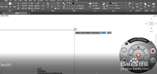
首先找到直线画一条长为200的直线

- 2
将长和宽进行复制移动

- 3
找好基点,移动不要留裂缝。

- 4
画好一个矩形后若是想获得更多矩形便可以用 镜像

- 5
是否删除原对象?选择“否”就可以了。

注重事项
- 注重要开启正交,比力精确
AutoCAD是由美国Autodesk公司于二十宿世纪八十年月初为微机上应用CAD手艺而开辟的画图程序软件包,现已经当作为国际上广为风行的画图东西。AutoCAD可以绘制肆意二维和三维图形,让我带大师领会一下根本吧!

首先找到直线画一条长为200的直线

将长和宽进行复制移动

找好基点,移动不要留裂缝。

画好一个矩形后若是想获得更多矩形便可以用 镜像

是否删除原对象?选择“否”就可以了。

4分钟前0阅读
4分钟前0阅读
4分钟前0阅读
4分钟前0阅读
4分钟前0阅读
4分钟前0阅读
4分钟前0阅读
1小时前0阅读
1小时前0阅读
1小时前0阅读