工具/原料
- AutoCAD2007
- 电脑
方式/步骤
- 1
点击桌面上的AutoCad 2007快捷图标,如图。

- 2
拖动鼠标绘制一个矩形,用于演示,如图。

- 3
在号令栏中输入mi,回车 或者在快捷东西栏中选择镜像。

- 4
选摘要镜像的对象,用鼠标单击即可。

- 5
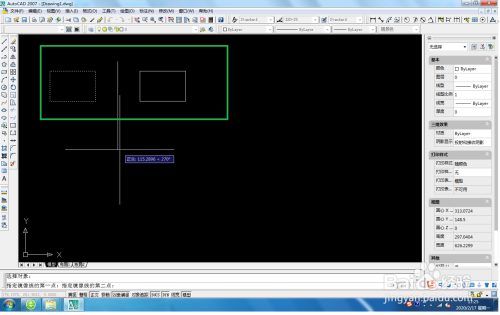
选择镜像的中间线,如图。

- 6
选择不要删除镜像的源文件,如图。

- 7
查看镜像的结果。

注重事项
- 经验内容仅供参考,感激您的阅读!!!
- 本经验由avety2008按照本身经验创作,但愿对您有帮忙
点击桌面上的AutoCad 2007快捷图标,如图。

拖动鼠标绘制一个矩形,用于演示,如图。

在号令栏中输入mi,回车 或者在快捷东西栏中选择镜像。

选摘要镜像的对象,用鼠标单击即可。

选择镜像的中间线,如图。

选择不要删除镜像的源文件,如图。

查看镜像的结果。

1小时前0阅读
1小时前0阅读
1小时前0阅读
1小时前0阅读
1小时前0阅读
1小时前0阅读
1小时前0阅读
1小时前0阅读
1小时前0阅读
2小时前0阅读