工具/原料
- 微星ms7d45
- Windows10
- cad2022
方法/步骤
- 1
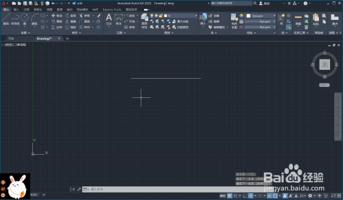
输入l,回车或者空格。

- 2
点第一个点。

- 3
点第二个点,回车或者空格。

- 4
一条直线就画好了。
END
方法/步骤2
- 1
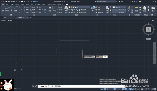
输入l,回车或者空格。点第一个点。


- 2
经由过程鼠标移动选择直线的偏向。

- 3
输入间隔,回车或者空格。

- 4
一条直线就画好了。
END
方法/步骤3
- 1
输入l,回车或者空格。输入第一个点的坐标,输入x轴参数,输入逗号,输入y轴参数。



- 2
输入第二个点的坐标,这是相对第一个点的坐标,输入x轴参数,输入逗号,输入y轴参数。


- 3
一条直线就画好了。
END
注重事项
- 要是要画程度的直线,第二个点y轴输入0
- 要是要画垂直的直线,第二个点x轴输入0










