
工具/原料
- TN-C体系、TN-S体系、TN-C-S
TN-C体系、TN-S体系、TN-C-S的物理界说
- 1
TN-C体系是三相四线制,四根导线颜色分为黄L1、绿L2、红L3、黄绿线PEN。事情零线兼做掩护零线。

- 2
TN-S体系是三相五线制,五根导线颜色别离为黄L1、绿L2、红L3、淡蓝N、黄绿线PE。供电体系是事情零线和掩护线是分隔的。

- 3
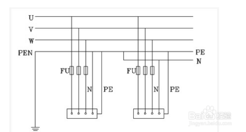
TN-C-S体系是三相五线制,五根导线颜色别离为黄L1、绿L2、红L3、淡蓝N、黄绿线PE。就是TN-C体系、TN-S体系归并的体系,中性导线N和掩护导线PE合为一掩护掩护导线PEN线,二次线路中将中性导线N和掩护导线PE在布局上分隔。
END
TN-C体系、TN-S体系、TN-C-S生活中的应用
- 1
TN-C体系的PEN将PE线和N线归并的作用,可节流一根导线,比力经济。但线路中不许可接入泄电掩护器。

- 2
TN-S体系掩护线 PE 不许有开路,也不许进入泄电开关。PE 线对地没有电压,所有设备金属外壳接掩护线 PE 上,安全靠得住。

- 3
TN-C-S体系,在施工规范划定施工必需采用 TN-S 方式供电体系在二次线路中后部门现场总配电箱分出 PE 线,就当作了TN-C-S体系。
END
注重事项
- 按接处所式差别也可分为TT 、TN 和IT 体系。







